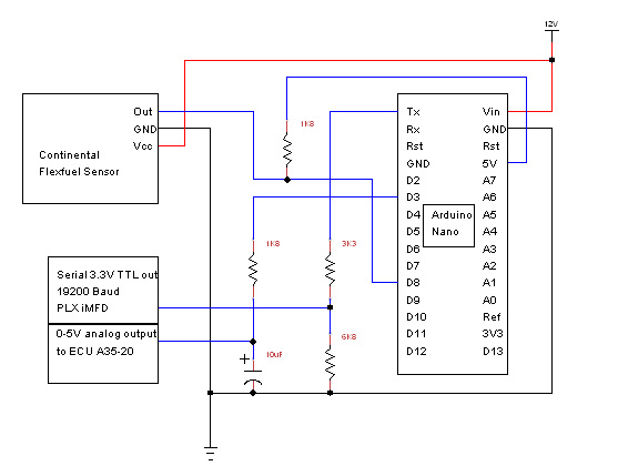
Continental Flex Fuel Sensor Wiring Diagram

The three wires provide a ground circuit a power source and a signal output to the ecm.
Continental flex fuel sensor wiring diagram. By installing this product or having it installed by. In checking my wiring work with a multimeter before actually plugging the molex to the flex fuel sensor with the ignition key on but without the engine started and running i confirmed 12 and ground but was surprised to see 12 also coming out of the wire connected to deutsch pin 9 digital in 3 flex fuel sensor hz. I have used 26g tefzel for them on the bench without issues as well. 888 298 8116 sales enquiries.
Modifying the fuel system on your car can be extremely dangerous. 750 miles point way lexington ky usa 40510 phone. Mistakes can cause fuel leaks or other issues which can lead to serious injury or death. Continental flex fuel sensor instructions 1.
I have run the continental flex sensors using 22g tefzel in a vehicle with the cable run to the sensor from the ecu around 4m. The continental flex fuel sensor measures the ethanol gasoline ratio of the fuel being used in a flexible fuel vehicle. Flexible fuel vehicles can be operated with a blend of ethanol and gasoline up to 85 percent ethanol. Most temp and pressure sensors have very low current draws otherwise they would overload the 5v rails on ecu s so can be used with quite small wire.
The flex fuel sensor has a three wire electrical harness connector.